北极星储能网获悉,12月15日,江苏东台市东悦新能源100MW/200MWh储能电站项目运维服务开启二次招标。
据北极星储能网了解,东悦新能源100MW/200MWh储能电站位于江苏盐城东台市弶港镇新海村六组,该项目投资单位为悦达投资控股孙公司东悦新能源,项目总投资约2.6亿元,其中包含自筹资金30%、银行融资70%。此前开标信息显示,中车株洲所以总报价11845万元、单价约0.5923元/Wh中标该储能电站项目的设备采购。(点击了解)
该项目所处盐城地区海上风电及其他新能源规模较大,而根据江苏发改委要求、长江以北新能源需按照10%及以上比例配建调峰能力。江苏东悦新能源储能项目建设目的即为新能源企业提供调峰服务。根据投资规划,该储能项目经营期25年,预计年平均营业收入3187.74万元,年平均净利润723.45万元,资本金财务内部收益率9.72%。
此次储能运维招标造价约158万元,要求运维期1年、365日历天,具体服务内容包含:负责消防系统值班值守、储能水冷系统清理和检修维护、暖通系统清理维护、电站辅助检修维护、物资编码申请及清点、隐患和缺陷排查整改辅助服务、视频监控消缺等储能电站专项工作,及相关的协助异常和事故(事件)信息报送、设备设施保洁清理、质安环保管理、资料档案管理及其它辅助管理工作,根据公司指令,完成电力市场化交易操作;按照国家、行业标准及内部管理制度规定,以公司指定的系统为平台,开展电站的运维服务工作,并接受监督、管理和考核。
招标明确要求项目负责人需具有中级及以上注册安全工程师,且从事新能源电站运行维护工作不低于2年。另外项目组人员不少于12人,均需具有高压电工证。
招标原文如下:
东台市东悦新能源科技有限公司100MW/200MWh储能电站项目运维服务(二次)重新招标公告
1. 招标条件
本项目东台市东悦新能源科技有限公司100MW/200MWh储能电站项目运维服务(二次)已由相关部门批准实施,招标人为东台市东悦新能源科技有限公司,招标项目资金来自自筹,出资比例为100%。该招标项目已具备招标条件,现对该招标项目进行公开招标。
2. 项目概况与招标范围
2.1招标范围:负责消防系统值班值守、储能水冷系统清理和检修维护、暖通系统清理维护、电站辅助检修维护、物资编码申请及清点、隐患和缺陷排查整改辅助服务、视频监控消缺等储能电站专项工作,及相关的协助异常和事故(事件)信息报送、设备设施保洁清理、质安环保管理、资料档案管理及其它辅助管理工作,根据公司指令,完成电力市场化交易操作;按照国家、行业标准及内部管理制度规定,以公司指定的系统为平台,开展电站的运维服务工作,并接受监督、管理和考核。招标人保留对上述招标范围进行适当调整的权利。
2.2项目规模:本招标项目造价约158万元。
2.3项目地点:东台市弶港镇新海村六组。
2.4运维期:1年(投标函中填写365日历天)。
3. 投标人资格要求
3.1 投标人须具备以下资质、资格等要求,并在人员、设备、资金等方面具有相应的项目实施能力。
3.1.1 投标人资格
具备承修承试二级及以上的电力设施许可证。
注:上述资质要求中的承修承试类二级及以上是指根据国家能源局关于做好承装(修、试)电力设施许可证换证领取和延期工作的通知[国能发资质(2025)44号]换证以后的资质要求。根据国家能源局关于做好承装(修、试)电力设施许可证换证领取和延期工作的通知[国能发资质(2025)44号],原承修、试类三级及以上电力设施许可证在过渡期内的,仍可继续从事承修、承试电力设施活动。
3.1.3 项目组人员配置要求:
3.1.3.1 项目负责人:具有中级及以上注册安全工程师,且从事新能源电站运行维护工作不低于2年(提供工作时间年限承诺书加盖单位公章)。
项目组人员不少于12人(包含项目负责人),均需具有高压电工证。
注:上述人员投标时均需提供相关证书扫描件。
3.1.3.2 投标时需提供项目负责人、授权委托人及项目组成员从2025年9月开始至投标截止之日当月至少1个月在本单位缴纳养老保险缴费记录证明。(退休人员提供在本单位相关证明)
3.1.4业绩要求:投标人自2022年1月1日以来(以合同签订时间为准)承担过100MW(h)统调新能源电站运行维护业绩(提供业绩合同扫描件)。
注:本招标公告业绩要求的相关指标需在合同中体现,如提供的合同未能体现本招标公告业绩要求的相关指标的,须提供业绩项目所在地招投标管理部门或供电公司或建设单位出具的能反映相关指标的证明,否则业绩不予认可。
3.1.5 信誉要求
(1)投标人没有被国家、江苏省省级有关部门及盐城市级有关部门暂停招投标或市场准入资格且在公示处罚期内。
(2)投标人不得存在:近3年内有行贿犯罪行为且被记录,或者法定代表人有行贿犯罪记录且自记录之日起未超过5年的情形。
(3)投标人被人民法院列为失信被执行人的信息在“信用中国”、“信用江苏”网站上被公布的,自载明的发布之日开始,直至撤销或者更正信息中载明的发布时间的期间,本项目的招标人拒绝其投标,资格审查不予通过,不得被确定为中标候选人、中标人。在一次招投标活动中,资格预审申请人、投标人或者中标候选人因正被列为失信被执行人,导致其资格预审不通过或者被取消中标候选人资格、中标人资格的,不因其之后失信信息被撤销或更正而改变已经作出的决定。
(4)投标人作为失信联合惩戒对象被采取依法限制参与建设工程招投标惩戒措施的,且被有关部门推送在“信用中国”、“信用江苏”、“信用盐城”相关网站公示且在有效期内的。
本项目的招标人拒绝其投标,资格审查不予通过,不得被确定为中标候选人、中标人。在一次招投标活动中,资格预审申请人、投标人或者中标候选人因正被列为联合惩戒对象,导致其资格预审不通过或者被取消中标候选人资格、中标人资格的,不因其之后失信信息被撤销或更正而改变已经作出的决定。
(5)投标人应保证符合上述信誉要求,如被证明违反,除按招标文件处理,还将被视为不诚信行为,由相关管理部门按规定处理。
3.2.本次招标 不接受 联合体投标。
3.3符合相关法律、法规规定的其他要求。
3.4盐城市招投标及标后履约不良行为系统已启用,投标单位未按照招标文件约定要求提交投标保证金参与投标解密报价的、投标承诺的人员不到场以及其他不良行为,将会被系统记录,影响后续参加我市招投标活动,请各投标人诚信投标、确保履约。
3.5评标前由招标人对照省政府第 120 号令要求,进行评标准备工作,并核实投标人和项目负责人的资质和资格、经历和业绩和信用状况等方面的情况。
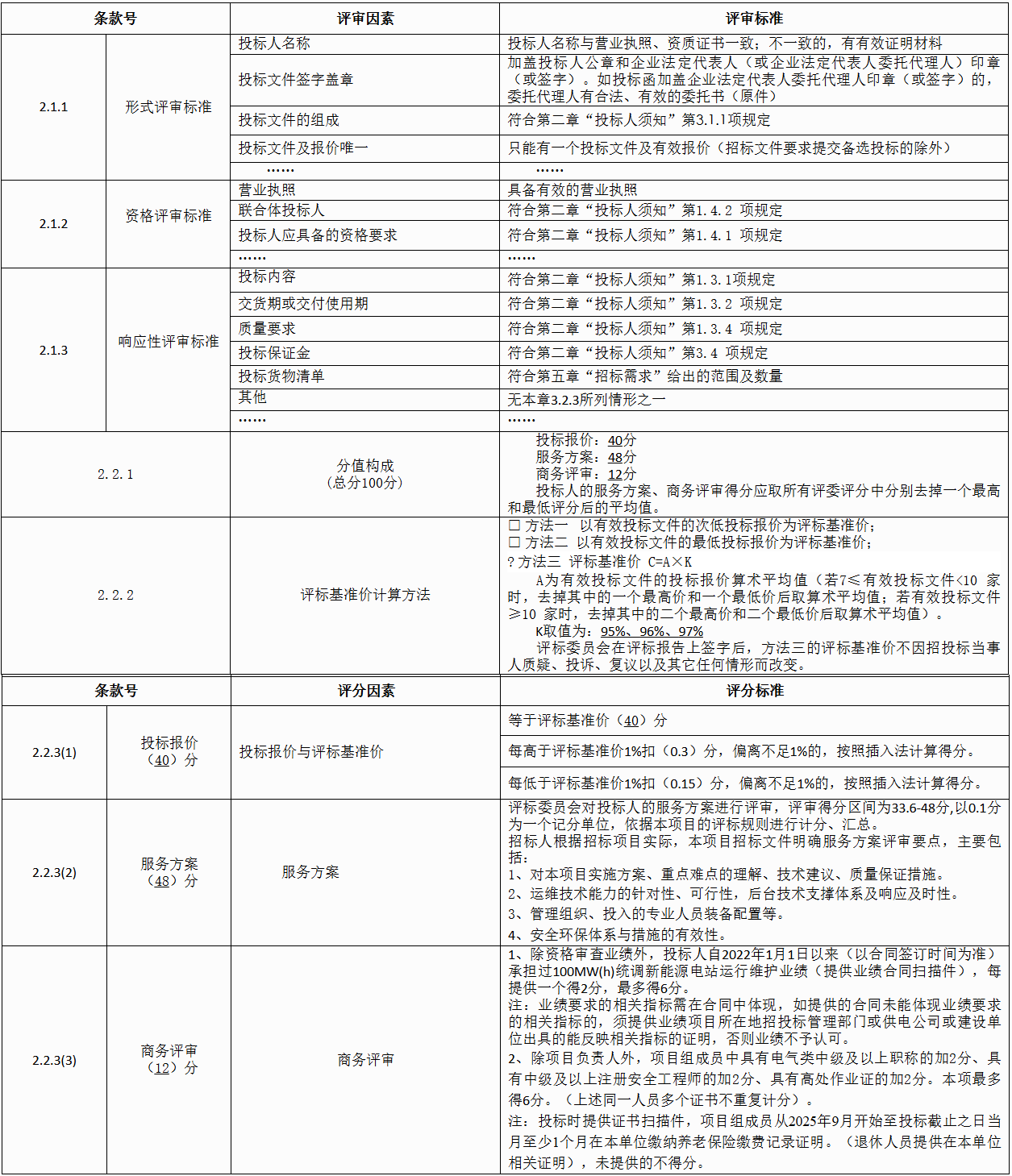
4. 评标办法
本招标项目采用资格后审综合评估法。
评标办法前附表











